芯城品牌采购网 > 品牌资讯 > 行业资讯 > 国产汽车芯片再添新军,圣邦微、思瑞浦、极海、纳芯微发布多款车规驱动方案

国产汽车芯片再添新军,圣邦微、思瑞浦、极海、纳芯微发布多款车规驱动方案

芯城品牌采购网

15835

车载芯片赛道持续发力,各大厂商密集推出车规级新品,涵盖电驱系统、LED驱动、高低边开关等核心领域,兼顾可靠性、高性能与场景适配性,全方位支撑汽车电子升级,以下为核心产品详解:

1769584186430429.jpg

圣邦微 12V&24V汽车应用八通道低边驱动器SGM42408Q

圣邦微电子推出的SGM42408Q,是兼容12V&24V汽车应用的八通道低边驱动器,支持直接GPIO驱动或16位SPI控制,导通电阻低至570mΩ,每通道最大可输出1.2A峰值电流。

该器件通过AEC-Q100 Grade 1认证,工作温度覆盖-40℃至+125℃,适配严苛汽车电子环境;输出端口耐压高达56V,常温关断待机静态电流接近0μA,兼具低功耗与高可靠性。

集成开路检测、短路保护、过流保护及过热保护等完善故障诊断功能,支持快速开通关断,内置钳位保护电路,可广泛应用于阻性、感性负载及工业PLC I/O模块,为汽车电子与工业控制提供高可靠多路驱动方案。

1769583707487599.jpg

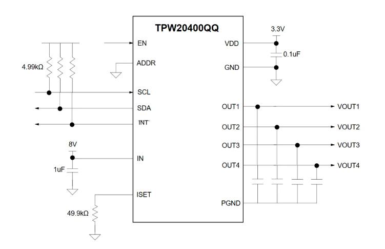
思瑞浦 高边开关TPW20400QQ

思瑞浦(3PEAK)推出全新一代低功耗车载摄像头四通道高边开关TPW20400QQ,聚焦汽车座舱、ADAS领域,专为车载摄像头、雷达等设备量身打造。

产品通过AEC-Q100车规认证,具备过流、短路、开路检测、热关断及可配置输出限流等核心保护功能,采用I2C接口实现配置与状态读取,支持4个独立通道智能控制,可独立开关并设定限流值,精准匹配ADAS与智能座舱多路摄像头供电需求。

其优势凸显:全温域低待机功耗、3V~12V宽输入电压、4mm×4mm微小封装省空间,支持多通道并联,可适配更高电流负载需求,简化车载电源保护系统设计。

1769583711467198.jpg

极海汽车高边LED驱动器GALT62120

极海GALT62120汽车高边LED驱动器,凭借12通道精密高边电流输出,实现像素级LED独立控制,集成可编程12位PWM调光功能,可灵活切换线性与指数调光模式。

该器件通过AEC-Q100 Grade1认证,内置LED开路/短路检测、过温保护等功能,适配场景广泛,可用于汽车贯穿式/图形化尾灯、前照灯、动态流水灯、迎宾灯、仪表显示灯及内环境灯等各类车灯。

1769583713755037.jpg

士兰微 高精度车灯LED驱动IC-SQ9000

士兰微SQ9000是一款车规级LED驱动控制器,基于士兰自主DTI工艺平台开发,实现国产方案自主可控,完全符合AEC-Q100 Grade1标准,适配汽车LED前大灯、应急照明及通用LED照明场景。

产品具备4.5V至65V极宽输入电压范围,兼容12V、24V电池系统,采用高精度峰值电流控制模式,支持BUCK、BUCK-BOOST等多种拓扑结构,温度范围内可实现±4%高精度LED恒流。

支持模拟与PWM双模调光,集成P沟道MOSFET驱动,响应迅速,同时具备全面保护功能与状态反馈,采用HTSSOP-20带底部散热封装,兼顾散热性能与绿色环保,士兰微依托成熟工艺,其相关车规产品已批量供应头部车企,性能对标国际主流水平。

1769583717365683.jpg

纳芯微 基于QM隔离驱动的电驱系统方案

随着新能源汽车安全性要求升级,电驱系统成为整车扭矩安全控制关键单元,结合2026年强制性国标GB 21670要求,纳芯微推出基于QM隔离驱动芯片NSI67xx-Q1系列的ASIL C功能安全解决方案。

该方案已通过德凯(DEKRA)权威评估,核心器件NSI67xx-Q1系列优势显著:集成隔离模拟采样功能简化设计,CMTI≥150kV/μs具备高抗干扰能力,支持±10A拉灌电流满足SiC/IGBT高功率密度需求,同时具备强鲁棒性、完善安全保护机制及灵活封装选择,量产验证充分,可为客户提供低变更、低成本、快速落地的电驱系统解决方案。


免责声明:
文章内容转自互联网,不代表本站赞同其观点;
如涉及内容、图片、版权等问题,请联系2644303206@qq.com我们将在第一时间删除内容!